产品中心
新闻资讯
联系我们
联系人:殷总
手机:18358221696
电话:0574-27961565
邮箱:sales@nbmst.cn
地址:宁波市鄞州区梅墟街道高新科技开发区晶辉路5号智造港E9-1幢5楼
MD290 通用型变频器
所属栏目:汇川变频器
发布时间:2022-11-29
关注度:1250次
简单介绍:产品描述:MD290系列变频器是一款通用型变频器,可以轻松整动和控制异步电机,具备用户可编程功能及后台软件监控、通讯总线功能,体积小,功能强大,性能稳定,满足国际主流标准和认证。可应用于纺织、造纸、拉丝、机床、包装、食品、风机、水浆等行业及各种自动化生产设备。技术参数:安装信息:电气连接:
产品描述:
MD290系列变频器是一款通用型变频器,可以轻松整动和控制异步电机,具备用户可编程功能及后台软件监控、通讯总线功能,体积小,功能强大,性能稳定,满足国际主流标准和认证。可应用于纺织、造纸、拉丝、机床、包装、食品、风机、水浆等行业及各种自动化生产设备。

技术参数:


安装信息:



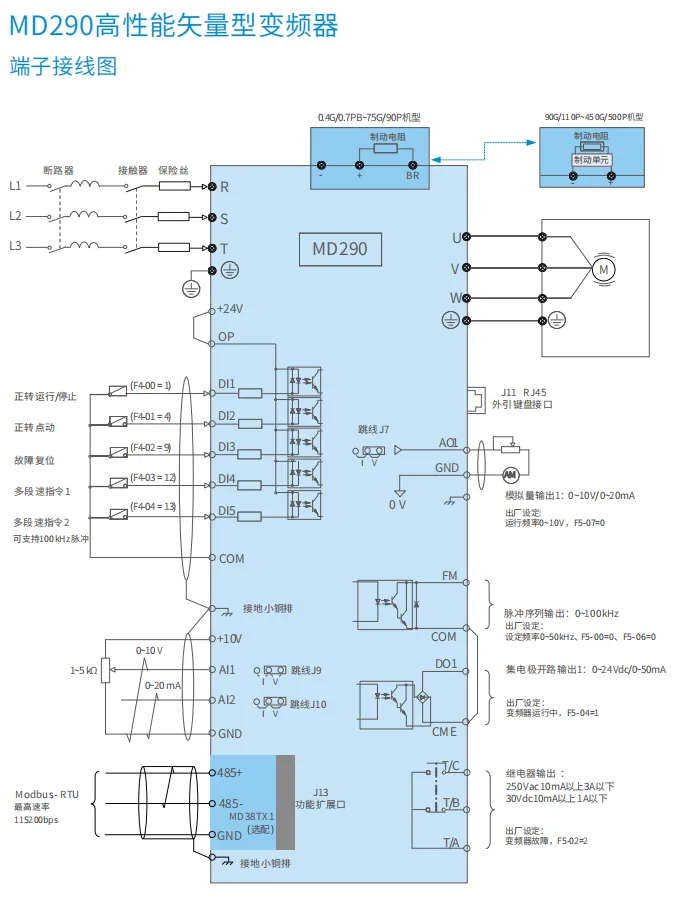
电气连接:

- 上一篇:MD310系列变频器
- 下一篇:MD200系列灵巧型变频器


客服1